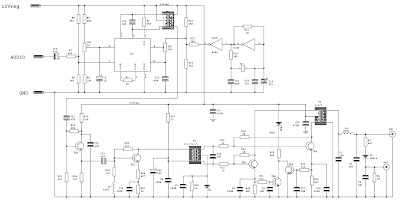
This AM transmitter circuit provides a nice, clean output of about 1 Watt (carrier power). Though designed for the medium wave band (circa 1.5 MHz) it would work equally well on higher frequencies (6.2 MHz for example) with a few tweaks in component values (see table on left - C15 should be adjusted for maximum output).

The carrier (produced by the 4049) is modulated at low-level by the MC1496 balanced modulator. There are then a couple of stages of linear amplification to reach the final output power so no modulation transformer is required. TR2, TR5 and TR6 are BC108 or similar; TR3 is a 2N3053 or 2N4427 or 2N3866 or any low/medium power NPN transistor. The main output transistors, TR4 and TR5 were originally 2SC1162 but BD135 or BD139 or other medium power RF transistors will do equally well. T1 uses a pre-tuned TOKO KANK3334 coil, the other transformers are wound on the red T50-2 toroids (the number of turns shown is the ratio, use about 4 to 5 times that number in reality - less athigher frequencies). The LED lights up if current in the output amplifier goes too high, so it's a kind of 'high SWR' warning.Source: ZFM


